産品詳情(qíng)
産品概述
手柄消(xiao)防溝槽蝶閥具有(you)安裝快速、簡易、安(ān)全、可靠、不受安裝(zhuāng)場♍地限制、便于管(guǎn)道與閥門的維修(xiū)保養🈲,有隔振隔音(yīn)與一定的角度範(fàn)圍内有克服管道(dao)連接不同軸而産(chǎn)💚生仿差,解決溫☂️差(chà)所産🙇🏻生熱脹冷縮(suo)等優點。廣🏃♀️泛應用(yòng)于輸送流體🌈管道(dào)的給排水,消防、空(kong)調、燃氣、石油、化工(gōng)、水處理、市政、造船(chuán)等管道工程作爲(wei)控制流體作用。
産(chan)品特點
1、閥門采用(yong)中線型密封結構(gou)設計,扭矩輕,密封(feng)性能好💜;
2、蝶闆、閥杆(gan)采用無銷設計連(lian)接,連接可靠性好(hǎo);
3、蝶闆整體采用包(bao)膠硫化,耐腐蝕性(xìng)好;
4、閥門與管道的(de)連接采用卡箍連(lian)接形式,安裝方便(bian)、快速㊙️;
5、閥門的驅動(dong)方式多樣化,可配(pèi)置把手操作、蝸輪(lún)蝸杆操作、電動及(ji)氣動操作方式。
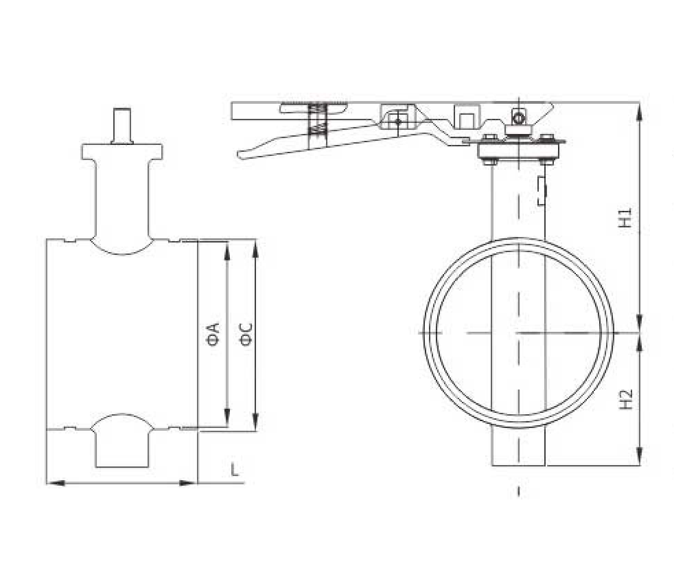
主要外形(xing)連接尺寸
|
型号 |
DN |
Φ C |
|
|
H2 |
|
|
ZSDF 8-Q-50-16-D81X |
50 |
57.2 |
60.3 |
88 |
136 |
62 |
|
ZSDF 8-Q-65-16-D81X |
65 |
76.1 |
96 |
142 |
70 |
|
|
ZSDF 8-Q-80-16-D81X |
|
84.9 |
88.9 |
149 |
79 |
|
|
ZSDF 8-Q-100-16-D81X |
|
110.1 |
114.3 |
115 |
173 |
94 |
|
ZSDF 8-Q-125-16-D81X |
125 |
135.5 |
139.7 |
115 |
108 |
|
|
ZSDF 8-Q-150-16-D81X |
150 |
|
|
201 |
117 |
蘇(sū)公網安備 32010202011315号