節能消聲止回(hui)閥
發布時間:2025-11-30
技(jì)術參數
産品型(xíng)号:H41X
公稱壓力:PN1.0~1.6MPa
公(gōng)稱通經:DN40~600mm
适用甘雨大战史🔞莱姆视频动画免费观看🌈介(jiè)質:水及弱腐蝕(shí)性流體
适用溫(wen)度:0~80℃
法蘭标準:GB/T 17241.6、GB/T 9113
試(shì)驗标準:GB/T 13927、API 598
産品概(gài)述
節能消聲止(zhǐ)回閥适用于給(gěi)排水管道,閥瓣(ban)采用進口兩端(duan)中心軸導向,啓(qi)閉靈活,可水平(píng)安裝或垂直安(ān)裝👣。閥瓣采用彈(dàn)簧加載,其快速(su)關閉能有效的(de)消除水錘,密封(fēng)性能好,關🍉閉無(wu)噪聲。具有體積(jī)小、重量輕、流體(tǐ)阻力小,耐疲🔞勞(lao)、壽命長🔴等優點(diǎn)。
結構特點
1、閥體(tǐ)内腔采用流線(xian)型設計,流量按(an)标準設計,減少(shǎo)😄急彎、拐角☎️、尖✂️凸(tu),從而減少流體(tǐ)的阻力。
2、閥瓣前(qián)後設計爲錐形(xing),使流體阻力大(da)大減少,又減少(shao)了因紊流㊙️所産(chan)生的噪聲。
3、閥瓣(ban)關閉的行程短(duǎn),隻有公稱通徑(jìng)的1/4,減少了閥瓣(bàn)👈的關❗閉♉時間,減(jiǎn)少了水錘的産(chǎn)生。
4、閥使用彈簧(huáng)加速閥瓣關閉(bi)速度、降低水錘(chuí)産生。
5、閥瓣爲空(kong)心薄殼結構,減(jian)少閥瓣的慣性(xing),不但使閥‼️瓣關(guān)⭐閉時能迅速啓(qi)動,也減少了關(guan)閉時的沖擊噪(zao)聲。
6、本産品可以(yi)垂直、水平、傾斜(xie)以及任何角度(du)安裝。
7、本産品結(jié)構緊湊、零件少(shao)、體積少、重量輕(qīng)、外型美觀。
8、内外(wài)表面均噴塗環(huan)保塗層,确保産(chan)品的防腐蝕及(jí)安全性。
主要性(xing)能規範
| 型 号 | 公(gōng)稱壓力 | 殼體試(shì)驗壓力 | 密封試(shì)驗壓力 | 适用介(jie)質 | 工作溫度 |
| H41X一(yi)10 | 1.0MPa | 1.5 MPa | 1.1 MPa | 水及弱腐蝕性(xing)流體 | 0~80℃ |
| H41X一16 | 1.6 MPa | 2.4 MPa | 1.76 MPa | 水及弱(ruò)腐蝕性流體 | 0~80℃ |
主(zhu)要零件材料
| 型(xing) 号 | 閥 體 | 密封口(kou) | 彈簧 |
| H41X-10 | 鑄鐵或不(bu)鏽鋼 | 丁腈橡膠(jiao)(NBR) | 不鏽鋼絲ICrl8Ni9Ti |
| H41X-16 | 鑄鋼(gāng)或不鏽鋼 | 丁腈(jīng)橡膠(NBR) | 不鏽鋼絲(sī)IC rl8Ni9Ti |
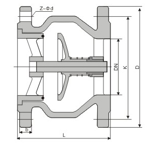
主要外形連接(jiē)尺寸
| 公稱壓力(lì) | 公稱通徑 | 尺 寸(cun)(mm) | ||||
| L | D | K | b | Z一Φd | ||
| 1.0 | 40 | 112 | 145 | 110 | 18 | 4-18 |
| 50 | 120 | 160 | 125 | 20 | 4-18 | |
| 65 | 130 | 180 | 145 | 20 | 4-18 | |
| 80 | 150 | 195 | 160 | 22 | 8-18 | |
| 100 | 165 | 215 | 80 | 24 | 8-18 | |
| 125 | 190 | 245 | 210 | 26 | 8-18 | |
| 150 | 210 | 280 | 240 | 26 | 8-22 | |
| 200 | 255 | 335 | 295 | 28 | 8-22 | |
| 250 | 310 | 390 | 350 | 28 | 11-30 | |
| 300 | 320 | 440 | 400 | 28 | 11-30 | |
| 350 | 380 | 500 | 460 | 30 | 16-22 | |
| 400 | 405 | 565 | 515 | 32 | 16-26 | |
| 450 | 430 | 615 | 565 | 32 | 20-26 | |
| 500 | 450 | 670 | 620 | 34 | 20-26 | |
| 600 | 510 | 780 | 725 | 36 | 20-30 | |
| 1.6 | 40 | 112 | 145 | 110 | 18 | 4-18 |
| 50 | 120 | 160 | 125 | 20 | 4-18 | |
| 65 | 130 | 180 | 145 | 20 | 4-18 | |
| 80 | 150 | 195 | 160 | 22 | 8-18 | |
| 100 | 165 | 215 | 180 | 24 | 8-18 | |
| 125 | 190 | 245 | 210 | 26 | 8-18 | |
| 150 | 210 | 280 | 240 | 26 | 8-22 | |
| 200 | 255 | 335 | 295 | 30 | 11-30 | |
| 250 | 310 | 405 | 355 | 32 | 11-30 | |
| 300 | 320 | 460 | 410 | 32 | 11-30 | |
| 350 | 380 | 520 | 470 | 36 | 16-26 | |
| 400 | 405 | 580 | 525 | 38 | 16-30 | |
| 450 | 430 | 640 | 585 | 40 | 20-30 | |
| 500 | 450 | 715 | 650 | 42 | 20-33 | |
| 600 | 510 | 840 | 770 | 48 | 20-36 | |
蘇公網安備(bèi) 32010202011315号