産品詳情
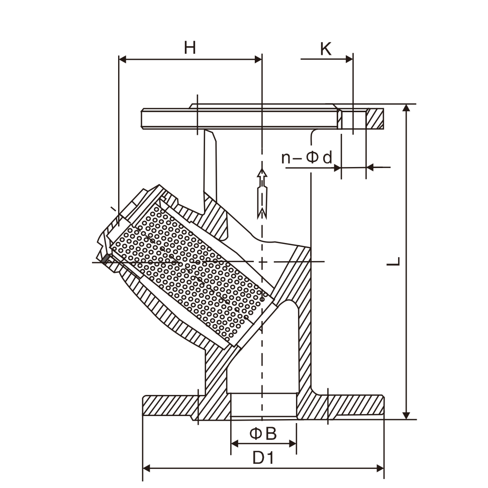
主要外形(xíng)尺寸
|
DN(mm) |
NPS(in) |
L |
H |
K |
D1 |
n-Φd |
|
80 |
3 |
96 |
160 |
200 |
||
|
100 |
4 |
314 |
220 |
180 |
220 |
8-18 |
|
125 |
235 |
8-18 |
||||
|
150 |
470 |
250 |
240 |
8-22 |
||
| 8 |
543 |
330 |
295 |
338 |
11-30 |
産品推薦(jiàn)
Copyright © 2022-2023 南京博高(gao)閥門有限公司(si) 版權所有 京ICP證(zheng)000000号
蘇公網安備(bei) 32010202011315号
蘇公網安備(bei) 32010202011315号
網站建設: 豐(feng)盛科技